
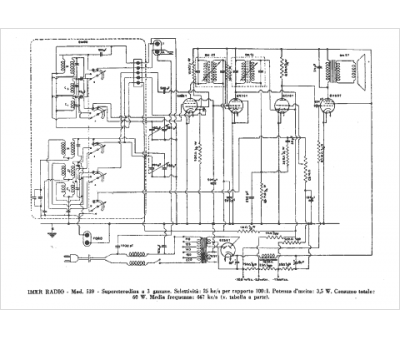
Marque :
IMER
Modèle :
539
Type appareil :
récepteur à tubes
Pays d'origine :
Italie
