
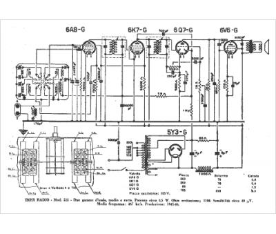
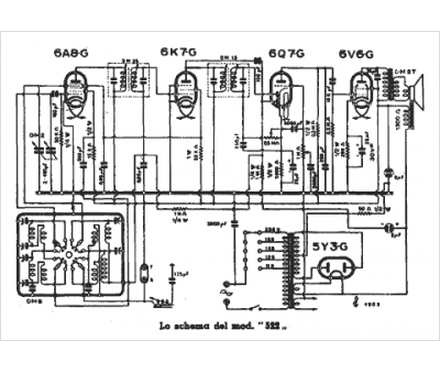
Marque :
IMER
Modèle :
522
Type appareil :
récepteur à tubes
Pays d'origine :
Italie
