
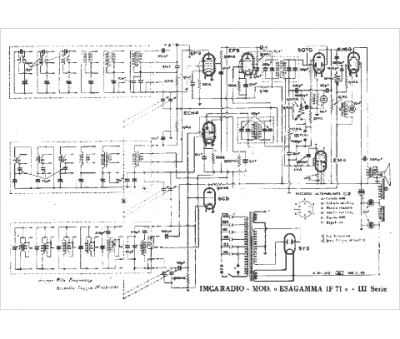
Marque :
Imca Radio
Modèle :
IF 82
Type appareil :
récepteur à tubes
Pays d'origine :
Italie
