
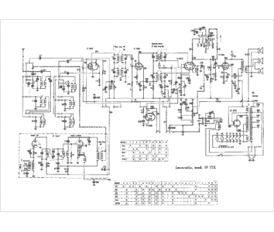
Marque :
Imca Radio
Modèle :
IF 77 X
Type appareil :
récepteur à tubes
Pays d'origine :
Italie
