
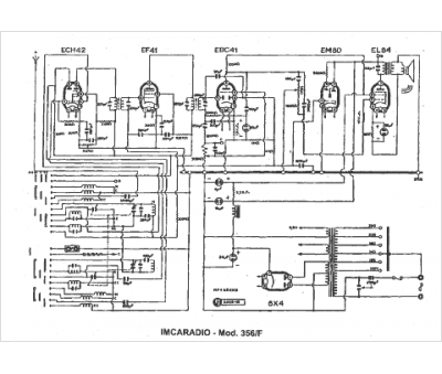
Marque :
Imca Radio
Modèle :
356 F
Type appareil :
récepteur à tubes
Pays d'origine :
Italie
