
Marque :
Imca Radio
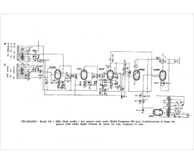
Modèle :
356
Type appareil :
récepteur à tubes
Pays d'origine :
Italie
