
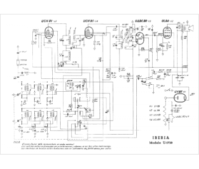
Marque :
Iberia
Modèle :
U 1730
Type appareil :
récepteur à tubes
Pays d'origine :
Espagne
