
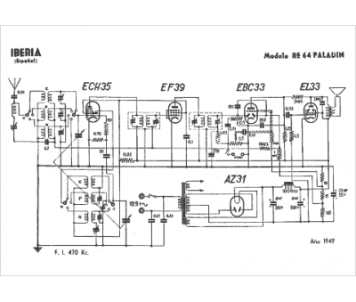
Marque :
Iberia
Modèle :
RE 64 Paladin
Type appareil :
récepteur à tubes
Pays d'origine :
Espagne
