
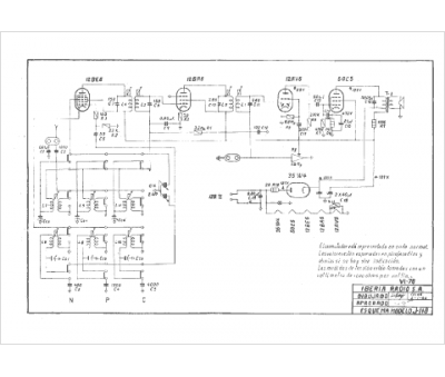
Marque :
Iberia
Modèle :
J 118
Type appareil :
récepteur à tubes
Pays d'origine :
Espagne
