
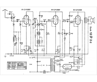
Marque :
Huth
Modèle :
12 P2C
Type appareil :
récepteur à tubes
Pays d'origine :
Allemagne
