
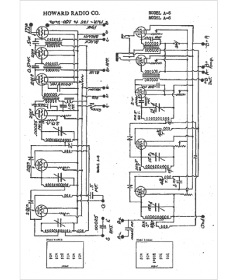
Marque :
Howard
Modèle :
A-6
Type appareil :
récepteur à tubes
Année :
1933
Pays d'origine :
États-Unis
