
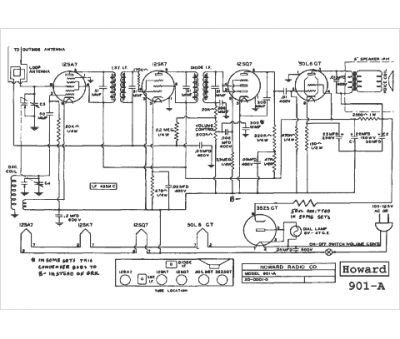
Marque :
Howard
Modèle :
901-A
Type appareil :
récepteur à tubes
Année :
1947
Pays d'origine :
États-Unis
