
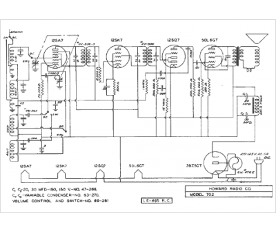
Marque :
															Howard																																															
														Modèle :
																702																																	
															Type appareil :
																récepteur à tubes
															Année :
																1941
															Pays d'origine :
																États-Unis
															