
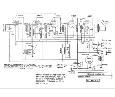
Marque :
Howard
Modèle :
14ACB
Type appareil :
récepteur à tubes
Année :
1941
Pays d'origine :
États-Unis
