
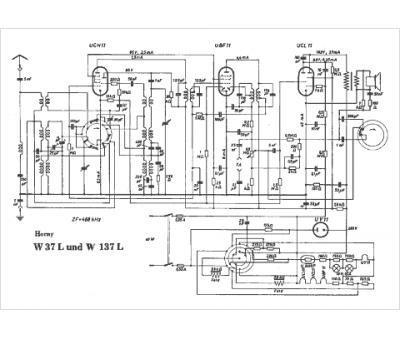
Marque :
Horny
Modèle :
W 37 L
Type appareil :
récepteur à tubes
Pays d'origine :
Autriche, Allemagne
