
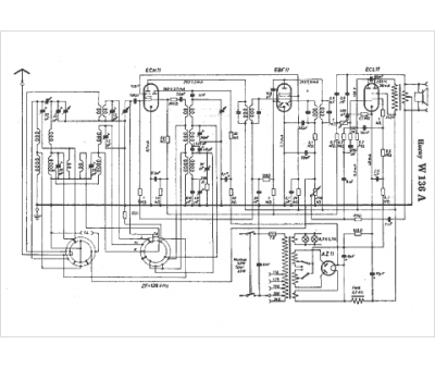
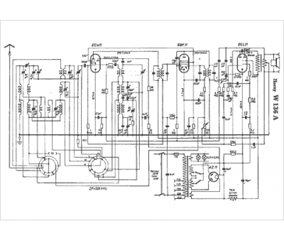
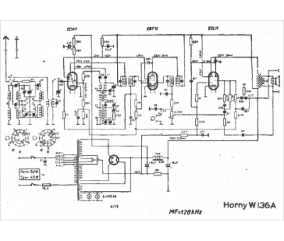
Marque :
Horny
Modèle :
W 136 A
Type appareil :
récepteur à tubes
Pays d'origine :
Autriche, Allemagne
