
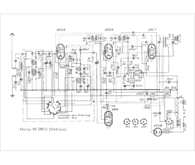
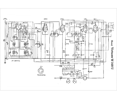
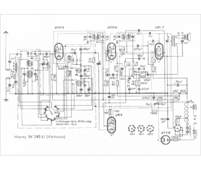
Marque :
Horny
Modèle :
Virtuoso W 348 U
Type appareil :
récepteur à tubes
Pays d'origine :
Autriche, Allemagne
