
Marque :
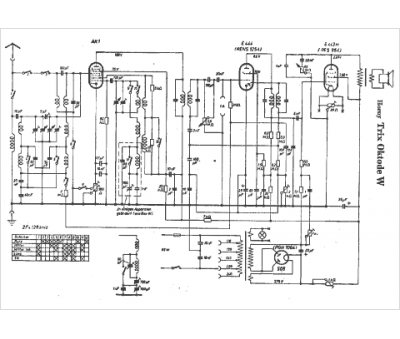
Horny
Modèle :
Trix Octode W
Type appareil :
récepteur à tubes
Pays d'origine :
Autriche, Allemagne
