
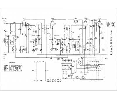
Marque :
Horny
Modèle :
Rex 35GW
Type appareil :
récepteur à tubes
Pays d'origine :
Autriche, Allemagne
