
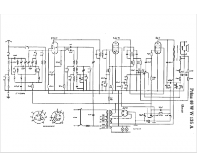
Marque :
															Horny																																															
														Modèle :
																Prinz 40 W W135A																																	
															Type appareil :
																récepteur à tubes
															Pays d'origine :
																Autriche, Allemagne
															