
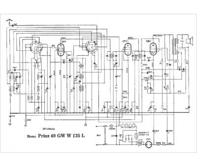
Marque :
Horny
Modèle :
Prinz 40 GW W135L
Type appareil :
récepteur à tubes
Pays d'origine :
Autriche, Allemagne
