
Marque :
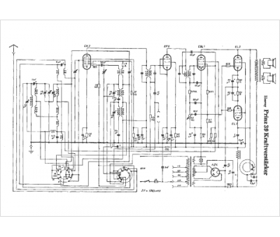
Horny
Modèle :
Prinz 39 Kraftverstärker
Type appareil :
récepteur à tubes
Pays d'origine :
Autriche, Allemagne
