
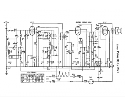
Marque :
Horny
Modèle :
Prinz 35 GIV-1
Type appareil :
récepteur à tubes
Pays d'origine :
Autriche, Allemagne
