
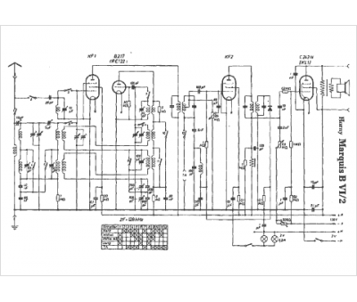
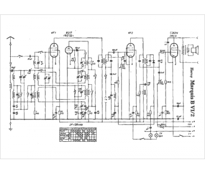
Marque :
Horny
Modèle :
Marquis BVI-2
Type appareil :
récepteur à tubes
Pays d'origine :
Autriche, Allemagne
