
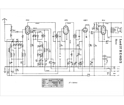
Marque :
Horny
Modèle :
Lord E 642-2
Type appareil :
récepteur à tubes
Pays d'origine :
Autriche, Allemagne
