
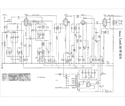
Marque :
Horny
Modèle :
LORD 36 WII 8
Type appareil :
récepteur à tubes
Pays d'origine :
Autriche, Allemagne
