
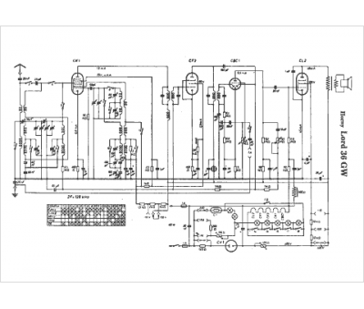
Marque :
Horny
Modèle :
Lord 36 Gw
Type appareil :
récepteur à tubes
Pays d'origine :
Autriche, Allemagne
