
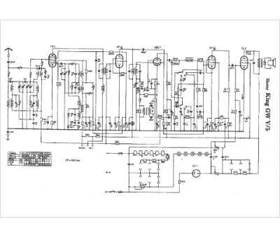
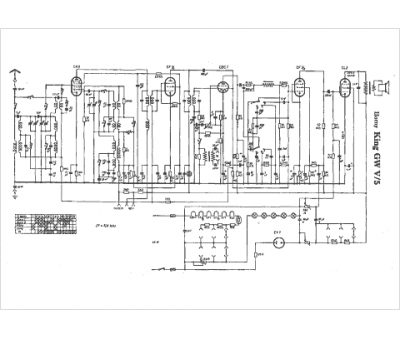
Marque :
Horny
Modèle :
KING GWV 5
Type appareil :
récepteur à tubes
Pays d'origine :
Autriche, Allemagne
