
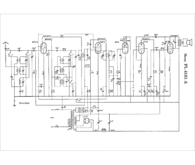
Marque :
Horny
Modèle :
Fl 4161 A
Type appareil :
récepteur à tubes
Pays d'origine :
Autriche, Allemagne
