
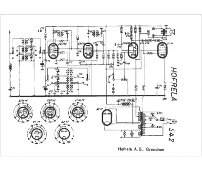
Marque :
Hofrela
Modèle :
542
Type appareil :
récepteur à tubes
Pays d'origine :
Suisse
