
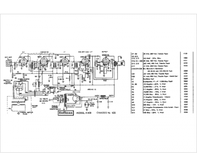
Marque :
Hoffman
Modèle :
102
Type appareil :
récepteur à tubes
Année :
1946
Pays d'origine :
États-Unis
