
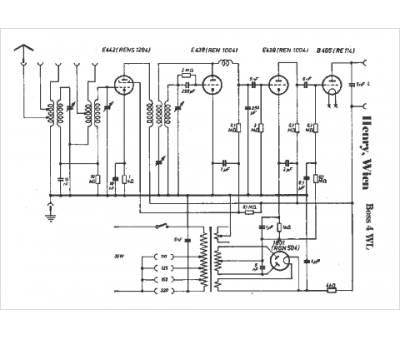
Marque :
Henry
Modèle :
Boss 4 WL
Type appareil :
récepteur à tubes
Pays d'origine :
Autriche
