
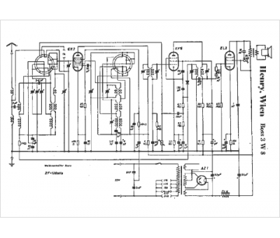
Marque :
Henry
Modèle :
Boss 3 W8
Type appareil :
récepteur à tubes
Pays d'origine :
Autriche
