
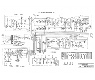
Marque :
Heli
Modèle :
RK Stereo
Type appareil :
récepteur à tubes
Pays d'origine :
Allemagne
