
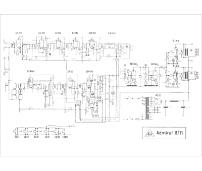
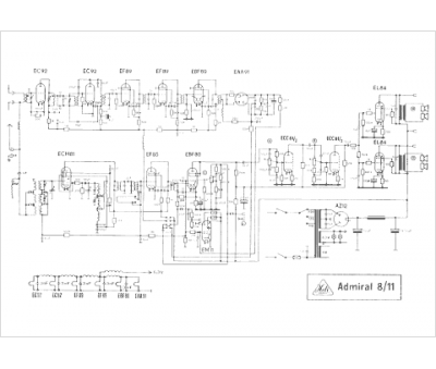
Marque :
Heli
Modèle :
Admiral 8-11
Type appareil :
récepteur à tubes
Pays d'origine :
Allemagne
