
Marque :
Heathkit
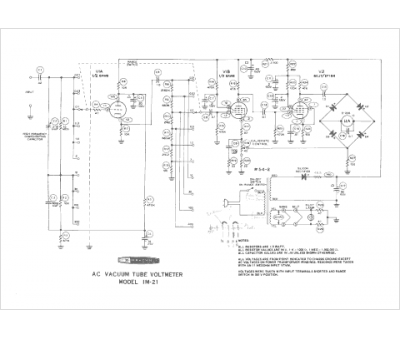
Modèle :
IM-21
Type appareil :
appareil de mesure
Pays d'origine :
États-Unis
