
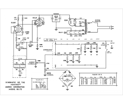
Marque :
Heathkit
Modèle :
IG-72
Type appareil :
appareil de mesure
Pays d'origine :
États-Unis
