
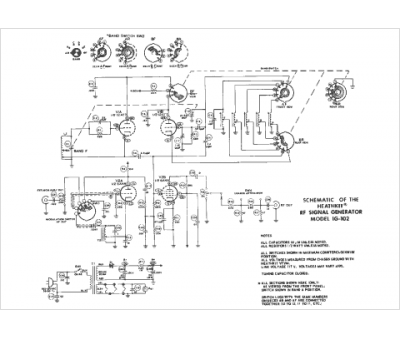
Marque :
Heathkit
Modèle :
IG-102
Type appareil :
appareil de mesure
Pays d'origine :
États-Unis
