
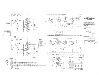
Marque :
Heathkit
Modèle :
EUW-19A
Type appareil :
appareil de mesure
Pays d'origine :
États-Unis
