
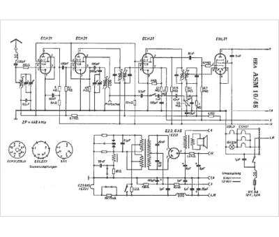
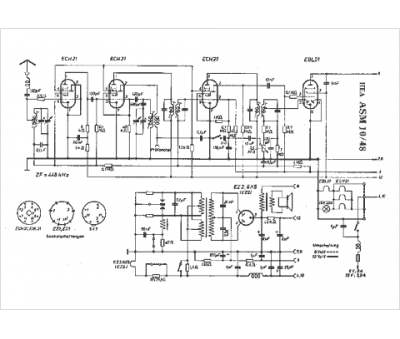
Marque :
															HEA																																															
														Modèle :
																ASM10 48																																	
															Type appareil :
																récepteur à tubes
															Pays d'origine :
																Allemagne, Autriche
															