
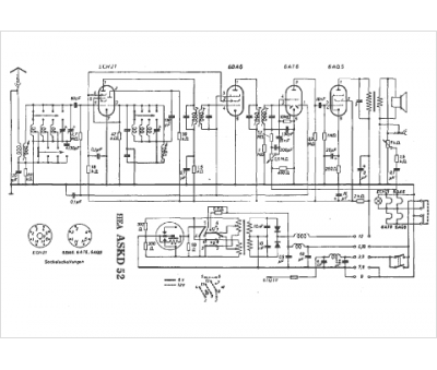
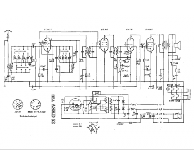
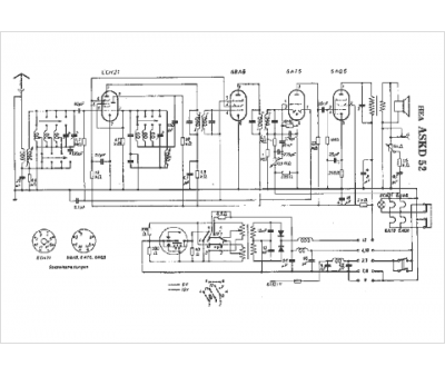
Marque :
HEA
Modèle :
ASKD 52
Type appareil :
récepteur à tubes
Pays d'origine :
Allemagne, Autriche
