
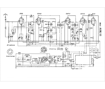
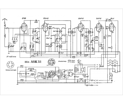
Marque :
HEA
Modèle :
ASK 51
Type appareil :
récepteur à tubes
Pays d'origine :
Allemagne, Autriche
