
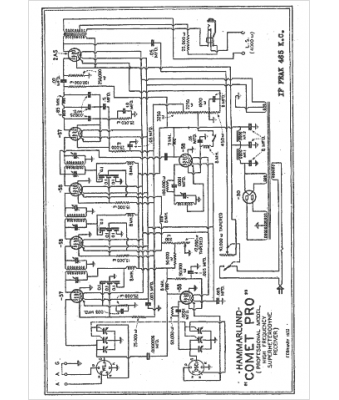
Marque :
Hammarlund
Modèle :
Comet Pro
Type appareil :
récepteur à tubes
Année :
1933
Pays d'origine :
États-Unis
