
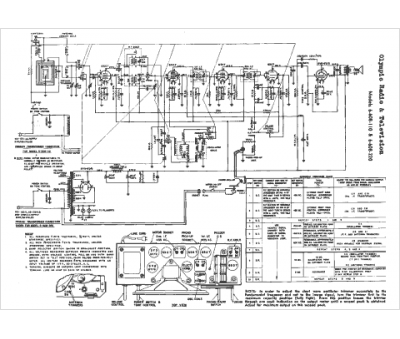
Marque :
Hamilton
Modèle :
6-608
Type appareil :
récepteur à tubes
Année :
1948
Pays d'origine :
États-Unis
