Retour à l'accueil
 
 
Recherche de schémas
Collection CD/DVD

Service schémathèque 

3 documents correspondent à votre recherche.

Caractéristiques de l'appareil
Marque :
Hameg
Modèle :
HM 512
Type appareil :
appareil de mesure
3 documents correspondant à cet appareil
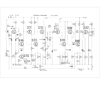
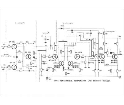
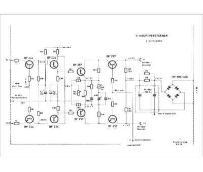
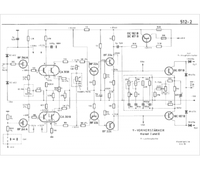
Notice Hameg HM 512
9 pages.
Document présent dans Rétro-docs 6 Acheter
En ligne, disponible en téléchargement Télécharger
no photo
Description schema Hameg Câbles, sondes, géné, préampli, commutateur
Langue  : français
3 pages. — Poids : 15 g. — Frais postaux indicatifs : 2,56 €
Document mesure accessible en prêt Demander
no photo
Manuel Hameg HM 512
Langue  : allemand
Document mesure accessible en prêt Demander
La consultation de cet espace schémathèque est en accès libre.