
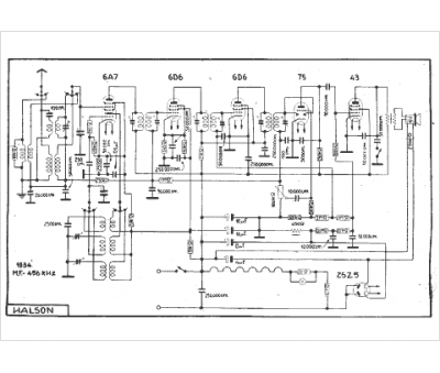
Marque :
Halson
Modèle :
Modèle 1934
Type appareil :
récepteur à tubes
Année :
1934
