
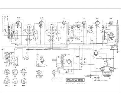
Marque :
Hallicrafters
Modèle :
SX-25
Type appareil :
récepteur à tubes
Année :
1940
Pays d'origine :
États-Unis
