
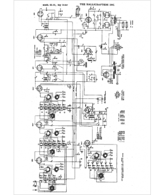
Marque :
Hallicrafters
Modèle :
Sky Rider
Type appareil :
récepteur à tubes
Année :
1942
Pays d'origine :
États-Unis
