
Marque :
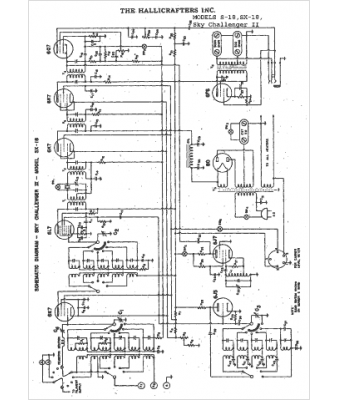
Hallicrafters
Modèle :
Sky Challenger II
Type appareil :
récepteur à tubes
Pays d'origine :
États-Unis
