
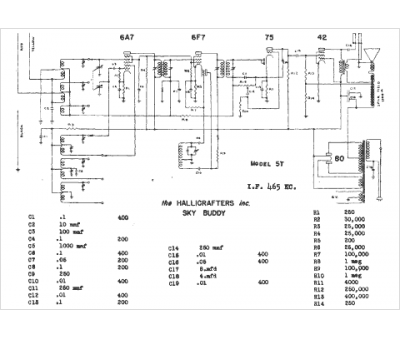
Marque :
Hallicrafters
Modèle :
Sky Buddy
Type appareil :
récepteur à tubes
Année :
1938
Pays d'origine :
États-Unis
